Diodo laser accoppiato a fibra Fabry Perot FP da 850 nm
  • Diodo laser accoppiato a fibra Fabry Perot FP da 850 nm Diodo laser accoppiato a fibra Fabry Perot FP da 850 nm
  • Diodo laser accoppiato a fibra Fabry Perot FP da 850 nm Diodo laser accoppiato a fibra Fabry Perot FP da 850 nm
  • Diodo laser accoppiato a fibra Fabry Perot FP da 850 nm Diodo laser accoppiato a fibra Fabry Perot FP da 850 nm
  • Diodo laser accoppiato a fibra Fabry Perot FP da 850 nm Diodo laser accoppiato a fibra Fabry Perot FP da 850 nm
  • Diodo laser accoppiato a fibra Fabry Perot FP da 850 nm Diodo laser accoppiato a fibra Fabry Perot FP da 850 nm

Diodo laser accoppiato a fibra Fabry Perot FP da 850 nm

Diodo laser a farfalla in modalità multi-longitudinale Fabry-Perot (FP) da 850 nm, dotato di un pacchetto a farfalla standard con controllo della temperatura TEC integrato e monitoraggio PD, che fornisce un'uscita ottica stabile e affidabile.

Invia richiesta

Descrizione del prodotto

Diodo laser a farfalla in modalità multi-longitudinale Fabry-Perot (FP) da 850 nm, dotato di un pacchetto a farfalla standard con controllo della temperatura TEC integrato e monitoraggio PD, che fornisce un'uscita ottica stabile e affidabile.


Caratteristiche

Pacchetto farfalla a 14 pin;

Termistore incorporato e TEC;

Il tipo di fibra può essere fibra SM630-HP;

Temperatura operativa:-20~+70℃.


Applicazioni

Strumento ottico;

Sorgente laser.


Caratteristiche elettro-ottiche (T=25℃)

Parametro Simbolo Condizione minimo Tip. Massimo. Unità
Lunghezza d'onda operativa λc Orario, 25 ℃ 840 850 860 nm
Potenza di uscita ottica PF - 30 - - mW
Corrente di soglia ITH 25 ℃ - 10 35 mA
Corrente operativa IOP CW - 255 275 mA
Tensione operativa VOP 25 ℃ - 2.1 2.3 V
Monitorare la corrente IMON VRM = 5 V 50 - 1500 μA
MPD Corrente oscura ID VRM = 5 V - - 50 μA
Resistenza del termistore RTH 25 ℃ 9.5 10 10.5
Valore B del termistore β 25℃/80℃ - 3950 - K


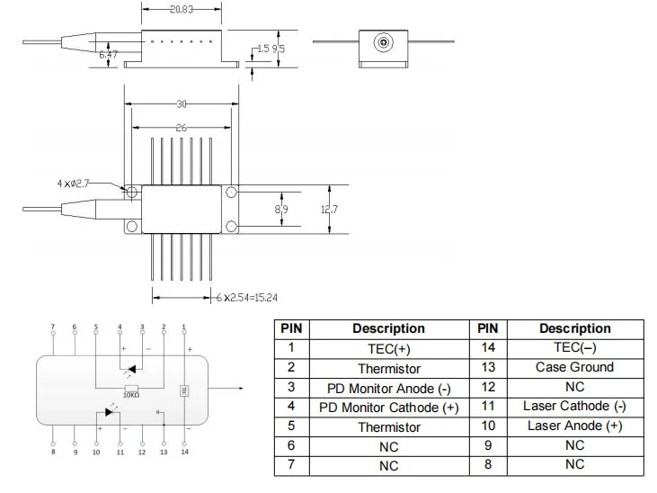
Disegno della confezione e definizione PIN-OUT (unità: mm)

850nm Fabry Perot Fp Fiber Coupled Laser Diode


Consegnare, spedire e servire

Tutti i prodotti sono stati testati prima della spedizione;

Tutti i prodotti hanno 1-3 anni di garanzia. (Dopo il periodo di garanzia di qualità, vengono addebitati costi di servizio di manutenzione adeguati).

Apprezziamo la tua attività e offriamo una politica di restituzione immediata di 7 giorni. (7 giorni dopo aver ricevuto gli articoli);

Se gli articoli acquistati dal nostro negozio non sono di qualità perfetta, ovvero non funzionano elettronicamente secondo le specifiche del produttore, è sufficiente restituirceli per la sostituzione o il rimborso;

Se gli articoli sono difettosi, comunicacelo entro 3 giorni dalla consegna;

Tutti gli articoli devono essere restituiti nelle loro condizioni originali per poter beneficiare di un rimborso o di una sostituzione;

L'acquirente è responsabile di tutte le spese di spedizione sostenute.

850nm Fabry Perot Fp Fiber Coupled Laser Diode


Domande frequenti

D: È disponibile un driver laser corrispondente?

R: Sì. Possiamo anche integrare il diodo e il driver per creare un modulo sorgente laser.


D: Avete qualche altro laser FP con lunghezza d'onda?

R: Sì, 488 nm/ 520 nm/ 532 nm/ 660 nm/ 850 nm/ 1064 nm... Vi preghiamo di contattarci per maggiori dettagli.


Tag caldi: Diodo laser accoppiato a fibra Fabry Perot FP da 850 nm, produttori, fornitori, commercio all'ingrosso, fabbrica, personalizzato, sfuso, Cina, prodotto in Cina, economico, prezzo basso, qualità

Categoria correlata

Invia richiesta

Non esitate a dare la vostra richiesta nel modulo sottostante. Ti risponderemo entro 24 ore.
X
Utilizziamo i cookie per offrirti una migliore esperienza di navigazione, analizzare il traffico del sito e personalizzare i contenuti. Utilizzando questo sito, accetti il ​​nostro utilizzo dei cookie. politica sulla riservatezza
Rifiutare Accettare